Вбудована техніка
в виде галереив виде списка









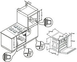
Комплект духовка + варильна панель Gorenje BO6737E02BG + G641EB BO6737E02BG14 490 ₴Готово до відправки












Комплект духовка + варильна панель Gorenje BO6735E05B + GTW641EB SET_BO6735E05B_GTW641EB21 379 ₴Готово до відправки









